地址:广东省东莞市石排镇庙边王龙田西路1号
电话:0769-81383685
手机:133-4266-6888
完美官方网站
手机:133-4266-6888
电话:0769-81383685
邮箱:changmin896@163.com
地址:广东省东莞市石排镇庙边王龙田西路1号
网址:www.newsdilse.com/

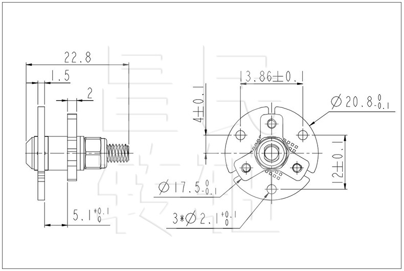
产品特点:转轴表面无刮伤、无油污,且材料环保,盐雾测试过24H,360°无限位。
使用方法:转轴有多个螺丝孔,采用机牙螺丝固定到翻盖两侧,简单易装,能够承受住超重的翻盖,扭矩可调。
地址:广东省东莞市石排镇庙边王龙田西路1号
电话:0769-81383685
手机:133-4266-6888